您好! 欢迎访问程诚检测官方网站
您当前位置:首页 > 新闻中心 > 行业资讯

走进金属材料:钢铁金相组织的识别

钢铁是铁、碳和少量其它元素的合金,铁碳合金的显微组织是研究和分析钢铁材料的基础。从铁-碳相图中可以看出,所有钢铁在室温下的组织均由铁素体(F)和渗碳体(Fe3C)这两个基..

400-051-5001 立即咨询

快速申请检测

称       呼 :
手机号码 :
备       注:
分享:

走进金属材料:钢铁金相组织的识别

发布时间:2021-06-18 04:31:43 热度:0

  钢铁是铁、碳和少量其它元素的合金,铁碳合金的显微组织是研究和分析钢铁材料的基础。从铁-碳相图中可以看出,所有钢铁在室温下的组织均由铁素体(F)和渗碳体(Fe3C)这两个基本相组成。但是,由于碳含量不同,铁素体的相对数量、析出条件和分布情况均各异,呈现各种不同的组织形态。
  基本组织有铁素体、渗碳体、珠光体、莱氏体等。上述组织是在极慢的冷却条件下(接近平衡状态,如退火状态)由液态冷却到室温形成的。通过加热、保温、冷却可改变铁碳合金的内部组织,使之发生一系列变化,出现一些新的组织。这些组织有奥氏体、贝氏体、马氏体、回火马氏体、回火屈氏体、回火索氏体、魏氏组织,粒状珠光体等。下面程诚小编就带大家一起详细了解下这些金相组织的特证。
 
钢铁金相组织分析

钢铁金相组织分析
  典型铁碳相图
 
  1、奥氏体:碳与合金元素溶解在γ-Fe中的固溶体,仍保持γ-Fe的面心立方晶格。晶界比较直,呈规则多边形;淬火钢中残余奥氏体分布在马氏体间的空隙处。
 
钢铁金相组织分析
  奥氏体组织200×
 
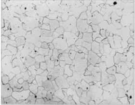
  2、铁素体:碳与合金元素溶解在α-Fe中的固溶体。亚共析钢中的慢冷铁素体呈块状,晶界比较圆滑,当碳含量接近共析成分时,铁素体沿晶粒边界析出。
 
钢铁金相组织分析
  铁素体组织200×
 
  3、渗碳体:碳与铁形成的一种化合物。在液态铁碳合金中,首先单独结晶的渗碳体(一次渗碳体)为块状,角不尖锐,共晶渗碳体呈骨骼状。过共析钢冷却时沿Acm线析出的碳化物(二次渗碳体)呈网结状,共析渗碳体呈片状。铁碳合金冷却到Ar1以下时,由铁素体中析出渗碳体(三次渗碳体),在二次渗碳体上或晶界处呈不连续薄片状。
  4、珠光体:铁碳合金中共析反应所形成的铁素体与渗碳体的机械混合物。
  珠光体的片间距离取决于奥氏体分解时的过冷度。过冷度越大,所形成的珠光体片间距离越小。在A1~650℃形成的珠光体片层较厚,在金相显微镜下放大400倍以上可分辨出平行的宽条铁素体和细条渗碳体,称为粗珠光体、片状珠光体,简称珠光体。在650~600℃形成的珠光体用金相显微镜放大500倍,从珠光体的渗碳体上仅看到一条黑线,只有放大1000倍才能分辨的片层,称为索氏体。在600~550℃形成的珠光体用金相显微镜放大500倍,不能分辨珠光体片层,仅看到黑色的球团状组织,只有用电子显微镜放大10000倍才能分辨的片层称为屈氏体。
  5、上贝氏体:过饱和针状铁素体和渗碳体的混合物,渗碳体在铁素体针间。过冷奥氏体在中温(约350~550℃)的相变产物,其典型形态是一束大致平行位向差为6~8°的铁素体板条,并在各板条间分布着沿板条长轴方向排列的碳化物短棒或小片;典型上贝氏体呈羽毛状,晶界为对称轴,由于方位不同,羽毛可对称或不对称,铁素体羽毛可呈针状、点状、块状。若是高碳高合金钢,看不清针状羽毛;中碳中合金钢,针状羽毛较清楚;低碳低合金钢,羽毛很清楚,针粗。转变时先在晶界处形成上贝氏体,往晶内长大,不穿晶。
 
钢铁金相组织分析
  羽毛状上贝氏体500×
 
  6、下贝氏体:同上,但渗碳体在铁素体针内。过冷奥氏体在350℃~Ms的转变产物。其典型形态是双凸透镜状含过饱和碳的铁素体,并在其内分布着单方向排列的碳化物小薄片;在晶内呈针状,针叶不交叉,但可交接。与回火马氏体不同,马氏体有层次之分,下贝氏体则颜色一致,下贝氏体的碳化物质点比回火马氏体粗,易受侵蚀变黑,回火马氏体颜色较浅,不易受侵蚀。高碳高合金钢的碳化物分散度比低碳低合金钢高,针叶比低碳低合金钢细。
  7、粒状贝氏体:大块状或条状的铁素体内分布着众多小岛的复相组织。过冷奥氏体在贝氏体转变温度区的最上部的转变产物。刚形成时是由条状铁素体合并而成的块状铁素体和小岛状富碳奥氏体组成,富碳奥氏体在随后的冷却过程中,可能全部保留成为残余奥氏体;也可能部分或全部分解为铁素体和渗碳体的混合物(珠光体或贝氏体);最可能部分转变为马氏体,部分保留下来而形成两相混合物,称为M-A组织。
 
钢铁金相组织分析
  粒状贝氏体200×
 
  8、无碳化物贝氏体:板条状铁素体单相组成的组织,也称为铁素体贝氏体。形成温度在贝氏体转变温度区的最上部。板条铁素体之间为富碳奥氏体,富碳奥氏体在随后的冷却过程中也有类似上面的转变。无碳化物贝氏体一般出现在低碳钢中,在硅、铝含量高的钢中也容易形成。
  9、马氏体:碳在α-Fe中的过饱和固溶体。
  (1)板条马氏体:在低、中碳钢及不锈钢中形成,由许多相互平行的板条组成一个板条束,一个奥氏体晶粒可转变成几个板条束(通常3到5个)。
  (2)片状马氏体(针状马氏体):常见于高、中碳钢及高Ni的Fe-Ni合金中,针叶中有一条缝线将马氏体分为两半,由于方位不同可呈针状或块状,针与针呈120°角排列,高碳马氏体的针叶晶界清楚,细针状马氏体呈布纹状,称为隐晶马氏体。
  10、回火马氏体:马氏体分解得到极细的过渡型碳化物与过饱和(含碳较低)的α-相混合组织,它由马氏体在150~250℃时回火形成。
  这种组织极易受腐蚀,光学显微镜下呈暗黑色针状组织(保持淬火马氏体位向),与下贝氏体很相似,只有在高倍电子显微镜下才能看到极细小的碳化物质点。
  11、回火屈氏体:碳化物和α-相的混合物。
  它由马氏体在350~500℃时中温回火形成。其组织特征是铁素体基体内分布着极细小的粒状碳化物,针状形态已逐渐消失,但仍隐约可见,碳化物在光学显微镜下不能分辨,仅观察到暗黑的组织,在电镜下才能清晰分辨两相,可看出碳化物颗粒已明显长大。
  12、回火索氏体:以铁素体为基体,基体上分布着均匀碳化物颗粒。
  它由马氏体在500~650℃时高温回火形成。其组织特征是由等轴状铁素体和细粒状碳化物构成的复相组织,马氏体片的痕迹已消失,渗碳体的外形已较清晰,但在光镜下也难分辨,在电镜下可看到的渗碳体颗粒较大。
  13、莱氏体:奥氏体与渗碳体的共晶混合物。呈树枝状的奥氏体分布在渗碳体的基体上。
  14、粒状珠光体:由铁素体和粒状碳化物组成。
  它是经球化退火或马氏体在650℃~A1温度范围内回火形成。其特征是碳化物成颗粒状分布在铁素体上。
  15、魏氏组织:如果奥氏体晶粒比较粗大,冷却速度又比较适宜,先共析相有可能呈针状(片状)形态与片状珠光体混合存在,称为魏氏组织。亚共析钢中魏氏组织的铁素体的形态有片状、羽毛状或三角形,粗大铁素体呈平行或三角形分布。它出现在奥氏体晶界,同时向晶内生长。过共析钢中魏氏组织渗碳体的形态有针状或杆状,它出现在奥氏体晶粒的内部。
 
钢铁金相组织分析
  粗晶魏氏组织200×
 
  程诚小编结语:金相组织的观察与识别在金属材料生产及应用领域用途广泛且重要,不过应当指出的是,钢的加热和冷却是多变的,钢种、钢号又繁多,钢中组织也是变化多端的,也不只是单一组织,所以一般都是并存一个或几个组织哦~

 
程诚检测


相关阅读

火灾高发季来临!建材防火检测迅速知道!
火灾高发季来临!建材防火检测迅速知道!

据媒体报道,近日青岛小珠山大溪谷景区发生一起较大火灾事件,区林业局、开发区消防大队、灵珠山街道、辛安街道等单位迅速赶赴火灾现场,积极扑救,大火已燃烧昨天一夜,其他...

你不可不知的车用汽油检测项目及标准
你不可不知的车用汽油检测项目及标准

车用汽油(automotivegasoline)汽油的一种。用量最大的运输燃料。为点火式发动机燃料。原油经过蒸馏或重质烃类原料经过二次加工(热转化或催化转化)得到的,并加有适量抗爆剂和抗氧...

“冰与火”的纵情交织,阻燃剂检测揭秘
“冰与火”的纵情交织,阻燃剂检测揭秘

阻燃剂,又称难燃剂,赋予易燃聚合物难燃型的功能性助剂。冰,指的是它阻燃似冰的特性;火投炼入高分子材料中聚合反应的过程。冰火交织,奇特如斯的 阻燃剂检测 项目标准有哪些...

轴承检测的标准,帮你轻松辨良莠
轴承检测的标准,帮你轻松辨良莠

一. 轴承检测 的振动标准 1.振动加速度国家标准(俗称Z标) 该标准制定比较早,以测量轴承旋转时的振动加速度值,来判定轴承的质量等级,分为Z1、Z2、Z3由低到高三个质量等级。目前国...

程诚官方公众号

公司地址400-051-5001

山东省青岛市高新技术产业开发区松园路17号工业技术研究院B1楼(可接全国业务)

点击这里给我发消息